Conductor Replacement Roller

Conductor Replacement Roller

Get in touch

Download info sheet

Save for later

Warning

Cancer and Reproductive Harm
www.P65Warnings.ca.gov

Features and benefits

  • Material: 30% glass filled Nylon 6 from custom mould tooling.
  • Design: Custom design incorporates aperture of 2.56 in to accept smooth passage of joints and connectors.
  • Testing: Type registered to industry standards; Non conductive through use of insulating materials

The Conductor Replacement Roller (CRR) provides a simple, conductor-deployed protection system using a lightweight aramid rope.

The CRR unit enables the safe exchange of conductors in three easy steps:

  1. Laying out the pulling cable, e.g. with an electric pulling robot.
  2. Tensioning the CRR Block assembly.
  3. Feeding a new conductor through the cable pulleys of the CRR Block.

The CRR rollers have spring loaded gripping feature to secure the rope laterally without impinging any rotational movement as the rollers rotate around the axis of the conductor.

Considerable effort has been made to reduce the complexity of the design to provide a simple mechanism to hold the rope and then connect around the conductor.

Designed for rapid deployment and secure connection the external locking mechanism can be inspected from ground level.

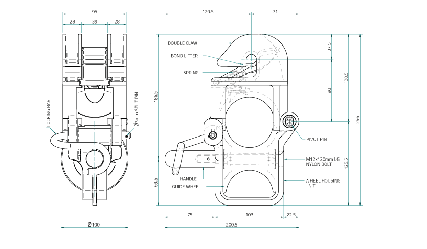
Conductor Replacement Roller dimensions
Slingco Part No. Weight (kg) WLL (kg) FOS (kg)
ZSN113711.25200800

A note about dimensions and tolerances

Slingco Part No. Weight (lb) WLL (lb) FOS (lb)
ZSN113712.764401,763

A note about dimensions and tolerances

Related products

CatchBlock - US

The challenges faced by the OHL industry due to the growing number of infrastructure projects built benea...

Don't see the product you need?

Our range is continually developing and expanding - plus we frequently undertake custom engineering design - so if you don’t see the exact product you need, please contact us with your exact requirements.

Product search

Featured markets

Slingco cable products and assemblies are used in a variety of industries such as Construction, Automotive, Manufacturing, Aerospace, Mining, Agriculture, Telecommunications, Public Utility, the military and the performing arts.
Slingco is a leading supplier of cable protection products for Operators and Service Providers in the Oil and Gas industry. Thousands of configurations to exactly match your well run needs.
Slingco cable pulling grips, cable support grips and swivels are widely specified throughout the power utility industry.
View all markets
  • We do so appreciate your efforts ... as we expected, Slingco continues to keep the bar high when it comes to customer service and support. Looking forward to many more years of our continued success together!

    Bill

  • I know this is a quote, but I cannot express to you how much it means to see 'ALL PARTS ARE IN STOCK' - your team does a fine job.

    Robert

  • Thanks so much for your help. As always, you guys are Awesome. It’s a pleasure to work with you!

    Charlie

  • We received the parts today, and I just wanted to tell you that it has been a pleasure working with you on these cable protectors. You guys did a great job of getting us what we needed and getting it to us quickly. We look forward to developing a long and mutually beneficial relationship between our companies.

    Kent

  • Thank you so much for your excellent customer service — especially to the shipping department.

    Ricardo

  • Thanks a lot to you guys. It is a pleasure to receive such superlative customer service.

    Yvan

  • I really appreciate how accommodating you and your company have been with our requests. Great work!

    Steve

  • Thanks for the awesome customer service!

    Holly

Want to know how Slingco could make a difference to your business? Find out more...

See what makes us tick: watch our company video